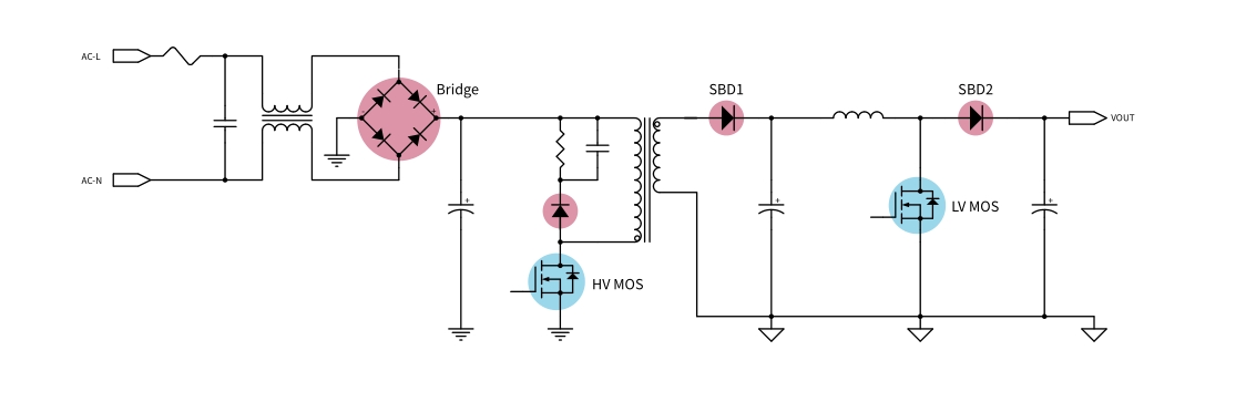
隨著超薄電視的日益普及,對超薄TV電源的需求不斷增加,時LED背光代替LCD背光,TV電源所需的功率越來越小,所以我們可選用一款反激架構(gòu)的電源滿足超薄TV的需求。

器件選型
|
功率 Power |
橋堆BD1 Bridge BD1 |
次級整流二極管D2 Secondary Rectifier Diode |
升壓二極管D3 Boost Diode |
|
75W |
WRGBU410 |
MBR20200CT |
SS2150 |
|
|
GBU410 |
TSR20L200CT |
-- |
|
|
GBP406L |
-- |
-- |


查詢授權(quán)經(jīng)銷








